-
常用螺母的完整介绍(用途、特点、适用场景)
螺母(Nut)是与螺栓、丝杠(螺杆)搭配使用的重要紧固件。不同形状与设计的螺母各有强度、防松或使用便利性的差异。本篇将系统化介绍常见的螺母类型、使用场景与选用要点,让你在工程维修、机械设计或购买紧固件时做出正确判断。 常见的螺母种类与特性 下面根据常见度与功能分类列出各种螺母,并说明它们在实际使用上的优势与注意事项。 1.六角螺母(Hex Nut) 最常见的标准螺母,适用于绝大多数搭配扳手或套筒的…- 4.6k
- 0
-
常见机械传动中“花键”优点突出,但为什么平键随处可见?
在机械应用里,我们总在权衡:是选择经济实惠的“家常菜”平键,还是为特定场合精心准备的“硬菜”花键?“明明花键承载能力更强、对中性更好,为什么车间里还是平键用得多?”在大多数普通减速箱、泵和传动装置中,平键依然是绝对主力。而花键,尽管在电葫芦、汽车变速箱等领域大显身手,却很少出现在常规设备的相关位置。 花键的硬菜硬在哪? 花键联接,本质上是在轴上加工出多个均匀分布的齿形键,与轮毂内相应的槽配合传递扭…- 5.5k
- 0
-
外观良好的钢丝绳突然断绳,如何避免致命题
这标题真不是吓人,而确实是致命题。肉眼检查外观良好的钢丝绳确实存在突然断绳的风险,否则现在Megnetic Rope Test - MRT基于铁磁性钢丝绳的磁通量泄漏进行测量的无损钢丝绳电磁检测就不会越来越普及了。在MRT被推广之前,为了避免突然断绳,管理规范的钢厂葫芦行车钢丝绳在使用一定小时后就强制更换。鉴于累积的经验,有些船东看到镀锌钢丝绳开始生锈也不计成本的直接换绳。虽然现在MRT技术已经非…- 4.6k
- 0
-
常用焊材性能与应用对照表
常用焊接材料选用明细 序号 母材材质 焊接材料 第一部分:压力管道用焊接材料 1、Ⅰ类材料 1 20 J422 2 20 H08Mn2Si 3 20 TIG-J50 4 20 H08Mn2Si+J422 5 20 H08A 6 20 TIG-J50+J427 7 A106Gr.B H08Mn2SiA+J427 8 A234WPB+A106Gr.B H08Mn2Si+J427 2、Ⅱ类材料 9 16…- 4.5k
- 0
-
基于GB/T 41510-2022标准,一项关于起重机械剩余寿命理论估算案例解析和方法!| 转载
在起重机械改造、大修报检、安全评估中,可能涉及在用起重机械的剩余寿命估算,可能不少人和作者之前一样,不太清楚应该怎么计算,以及计算的参考依据。本文基于GB/T 41510-2022《起重机械安全评估规范 通用要求》第6.3节“剩余寿命理论估算”及“A.1 生产工艺固定的桥式起重机整机剩余寿命估算示例”进行示例解析。示例起重机及工作记录情况:1 台工作级别为 A7,额定起重量PQmax为 100 t…- 2.1k
- 0
-
【图/文/视频】液压泵的种类及结构原理
本文介绍液压系统中使用的容积式液压泵种类和结构原理,配有图文和视频; 液压系统中使用的泵均为通过容积改变完成吸油排油动作的容积式泵; 照挤子结构及运动方式不同分为齿轮式、叶片式、柱塞式和螺杆式四种类型; 按工作腔周期性变化而进入和排出液体容积可否调节分为定量型和变量型两类; 齿轮泵 齿轮泵是以啮合原理工作的液压泵,它是现代液压技术中结构最为简单、价格最低、产量及用量最大的一种液压泵。 外啮合齿轮泵…- 951
- 0
-
液压泵的排量、流量、理论流量、实际流量和额定流量是什么?
排量 液压泵的排量是指泵轴转一转所排出油液的体积,用V表示,单位为mL/r或m³/r。 液压泵的排量取决于液压泵密封腔的几何尺寸,不同的泵,因结构参数不同,所以排量也不一样。 流量 液压泵的流量是指液压泵在单位时间内输出油液的体积,常用q表示,单位为L/min或m³/min。 理论流量 理论流量是指不考虑泄漏损失情况下,液压泵在单位时间内输出油液的体积,常用qt表示,单位为L/min或m³/min…- 4.2k
- 0
-
钢结构中Q345还能用吗?
一、问题来源:最近在复核一个钢桥,采用了Q345qD钢材。但是该桥为一个公路桥,在之前的设计经验中,公路桥没有用桥钢的(也就是带后缀qD的),只有铁路桥采取qD。二、追本溯源:1、依据:《铁路桥梁钢结构设计规范》(TB 10091-2017)材料描述:2、我们再看公路规范:《公路钢结构桥梁设计规范》(JTG D64-2015)那么这个里面的《低合金高强度结构钢》有个最新的是2018的规范,已经没有…- 4.5k
- 0
-
液压系统中液压缸的选型与设计计算步骤
液压缸的选型一般是通过设计压力和工作负载决定,特殊情况下会根据尺寸限制和速度确定。以下主要是已知工作负载情况下的设计计算,其他情况在最后说明。 初选执行元件设计压力 1 考虑因素 在负载一定情况下,设计压力低,势必加大执行元件的结构尺寸和重量; 设计压力选得太高,对液压元件的材质、密封及制造精度要求很高,必然又提高设备成本。 通常,对于固定的尺寸不太受限制的机械设备,可选低一些的压力;对行走机械、…- 5.8k
- 0
-
奇数倍率钢丝绳系统 · 启闭机 | 总传动效率
往期回顾卷扬式启闭机 | 钢丝绳系统的总传动效率上文给出了偶数倍率启闭机的钢丝绳系统的总传动效率,在如图1所示的桥式起重机、如图2所示的龙门起重机,经常会用到奇数倍率的钢丝绳系统。 图1 桥式起重机 图2 龙门起重机倍率为3、5的双联卷筒的钢丝绳绕绳示意图如图3所示。与水利水电工程启闭机常用的偶数倍率绕绳系统相比,奇数倍率的启闭机动滑轮数量为奇数,不设平衡滑轮,最中间的动滑轮做平衡滑轮用。 图…- 3.5k
- 0
-
国家标准也会错?大胆指出GB/T 3452.3-2005密封标准中的一项错误
在国家标准《液压气动用O形橡胶密封圈沟槽尺寸》GB/T 3452.3-2005中,画出了四种沟槽示意图,分别是径向活塞密封沟槽、径向活塞杆密封沟槽、内压轴向密封、外压轴向密封,如下图1、图2、图4、图5所示(图的序号为标准原序号)。大家可能已经注意到了,各图中的沟槽圆角都进行了红色画笔标记,仔细对比标记中的r1和r2,我们能发现以下情况:图1中:r1为槽棱(槽顶)圆角、r2为槽底圆角;图2中:r1…- 2.1k
- 0
-
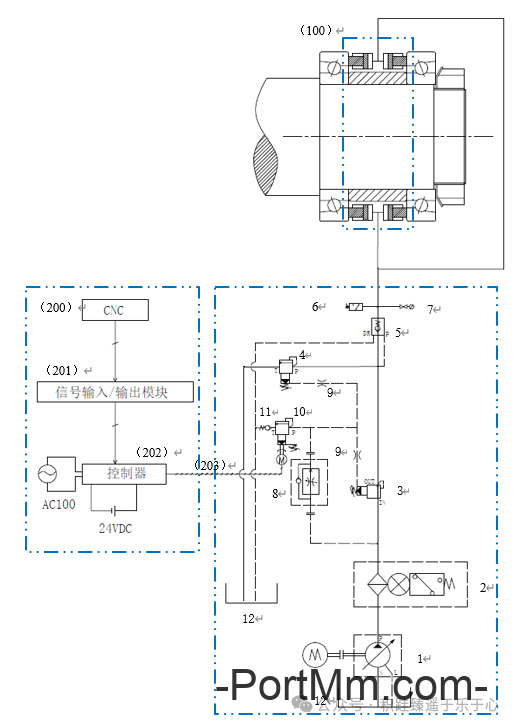
高速主轴轴承的预紧力可控方法和思路分析
现代金属切削加工已逐渐向高转速、高进给、高加速度以及高精度化方向不断发展。其中,高速电主轴的设计开发和实践应用也成为其关键课题;在高速电主轴单元的设计中,对高速精密滚动轴承的预紧力设计关系着高速轴承的精度和刚度,同时对高速精密数控机床的主轴动态特性有着重要的影响,进而关系着整个系统运行的平稳性。 为了提高数控加工中心主轴系统的刚度和径向与轴向精…- 5.4k
- 0
-
轴承与轴、轴承与孔的公差配合,经验之谈!!
轴承与轴的公差配合,以及轴承与孔的公差配合,一直都是用微小间隙配合即能实现功能,且好装好拆。但是局部零件还是需要有一定的配合精度。 配合公差(fit tolerance)是指组成配合的孔、轴公差之和。它是允许间隙到过盈的变动量。 孔和轴的公差带大小和公差带位置组成了配合公差。孔和轴配合公差的大小表示孔和轴的配合精度。孔和轴配合公差带的大小和位置表示孔和轴的配合精度和配合性质。 公差等级的选择 与轴…- 4.5k
- 0
-
机械常识——布氏硬度、洛氏硬度、维氏硬度
一、洛氏硬度(Rockwell Hardness, HR) 1. 原理 以金刚石圆锥(顶角120°)或钢球(直径1.59mm或3.18mm)为压头,在初载荷与主载荷作用下压入材料表面,根据压痕深度计算硬度值。压痕越深,硬度值越低。 2. 特点 测试快速、操作简便,适合批量检测; 能测试中高硬度材料; 根据材料硬度设有多种标尺: HRA:60kg载荷,金刚石压头,适用于硬质合金等极硬材料; HRB:…- 4.9k
- 0
-
液压泵的效率随转速和压力的变化趋势
引言 在液压系统中,泵作为核心部件,其性能直接影响系统效率与能耗。泵的效率主要分为机械效率、容积效率和总效率,这些指标会随着转速和压力的变化呈现不同的趋势。理解这些变化规律,不仅能帮助工程师优化设计,还能为设备选型和运行维护提供依据。本文将深入探讨在排量一定的情况下,泵的效率如何随转速和压力变化,并通过图表直观展示这些趋势,助力液压技术爱好者与从业者掌握关键知识。 机械效率的变化趋势 机械效率反映…- 2.1k
- 0
-
顺序阀和溢流阀的区别,手绘图+举例深入剖析!
文 | S.L. (转载HydroTech 工程液压)大家好,我是.sL.,今天带大家从基本的结构、原理及计算深入剖视溢流阀和顺序阀的关键区别。 1. 溢流阀和顺序阀的结构和原理对比 溢流阀与顺序阀结构上最大的区别是,顺序阀的弹簧腔与出油口分开,而溢流阀的弹簧腔与出油口合在一起。本文将详细分析这种结构的差异,对实际应用的影响。 想知道两个事物之间的区别,最好的方法是控制变量法。将两个…- 4.2k
- 0
-
别拘泥于教科书,顺序阀可不只能实现顺序动作!手绘图+举例深入剖析!
文 | S.L. (转载HydroTech 工程液压)液友们,大家好!我是的S.L.,今天带液友们从教科书上的基本概念到顺序阀应用回路,体验液压阀应用的灵活多变,跨越教科书与应用之间的鸿沟。 1. 教科书上的概念 S.L.在大学期间学习过《液压与气压传动》这个门课程,不知不觉现已从事液压行业十余年,也从一个朝气蓬勃的青年变成了油腻的中年大叔。 在液压行业的十余年期间,为了解决心中的疑问翻阅了大量书…- 3.3k
- 0
-
三款免费好用的液压原理图绘制工具推荐
文 | S.L. (转载HydroTech工程液压的 S.L请注明出处)前几天有液友在后台留言,希望我推荐几款可以绘制液压原理图的软件。 在实际工作中,我们通常使用 AutoCAD绘制原理图,这类专业CAD软件功能强大,但对于一些构思、展示、或中小型项目文档,往往显得有些“重型”。 今天我想分享三款我亲自使用过、并且完全免费的液压原理图绘制工具,它们分别适合不同场景和使用习惯。 第一款:Draw…- 1.7k
- 0
-
液压插装阀插孔与二通插装阀基础知识
一 螺纹插装阀图片内容源自孙海平《液压螺纹插装阀》,螺纹插装阀有自己独特的优势,在使用时厂家众多,阀孔种类众多。但是有迹可循。现在常用的共分为三大类,ISO7789;ICC;SUN。大家依据图片所示,可有脉络性了解。 需要分辨查找时可节约时间。二,二通插装阀(逻辑阀) 二通插装阀通常安装于符合 DIN 24342 标准的安装孔内,并通过阀盖进行锁定,这种标准化的安装方式确保了其在不同液压系统…- 5.6k
- 0
-
溢流阀在液压系统中的应用及回路示例
溢流阀为进口压力控制阀,当进口压力达到设定值时,阀口打开进行溢流; 溢流阀在液压系统中很重要,尤其是在定量泵系统,没有溢流阀几乎无法工作。 溢流稳压 系统采用定量泵供油,且其进油路或回油路上设置节流阀或调速阀,使液压泵输出的压力油一部分进入液压缸工作,而多余的油液须经溢流阀流回油箱,溢流阀处于其调定压力的常开状态。 调节弹簧的压紧力,也就调节了系统的工作压力,液压泵的工作压力取决于溢流阀的调整压力…- 1.6k
- 0
-
直动式溢流阀和先导式溢流结构、原理和特点
01 典型结构 直动式溢流阀 直动式溢流阀是靠系统中的压力油直接作用在阀芯上与弹簧力相平衡,控制阀芯的启闭动作实现溢流。这种溢流阀因压力油直接作用在阀芯,故称为直动式溢流阀。 直动式减压阀主要有阀体、阀芯、弹簧、调压螺栓组成; 先导式溢流阀 先导式溢流阀的工作原理是通过压力油先作用在先导阀芯上与弹簧力相平衡,再作用在主阀芯上与弹簧力相平衡,实现控制主阀芯的启闭动作。 先导式溢流阀主要有有阀体、主阀…- 1.7k
- 0
-
什么是换向阀?几位几通是什么意思?
换向阀是利用阀芯和阀体间相对位置的不同来变换不同管路间的通断关系,控制阀体上各油口的连通情况,从而使油路接通、切断或改变方向。 位 位是指换向阀的阀芯有几个不同的工作位置。通常有二位阀、三位阀、四位阀、五位阀等; 如下为三位阀: 通 通是只换向阀的阀体上几个各不相通对外接通的主要油口数目。通常有二通阀、三通阀、四通阀、五通阀等; 如下为四通。 常用换向阀的结构原…- 5.4k
- 0
-
液压溢流阀的静态性能是什么?有哪些?
溢流阀的静态性能是指稳定工作状态下,即系统压力稳定没有突变的状态下的某些参数之间的关系,如內泄露量、启闭特性、压力振摆等。 下边分别对內泄露量、压力调节范围、启闭特性、卸荷压力、压力损失、压力振摆、压力偏移、耐压性进行说明。 內泄露量內泄露量是指溢流阀闭合状态下,内部高低压腔之间的泄漏量。测试方法:将溢流阀调节至调压上限,并通过流量为额定流量;将系统压力降至调压上限的75%,稳定30s后测得的溢流…- 2.9k
- 0
幸运之星正在降临...
点击领取今天的签到奖励!
恭喜!您今天获得了{{mission.data.mission.credit}}积分
我的优惠劵
-
¥优惠劵使用时效:无法使用使用时效:
之前
使用时效:永久有效优惠劵ID:×
没有优惠劵可用!
























