液压插装阀插孔与二通插装阀基础知识

释放双眼,带上耳机,听听看~!
一   螺纹插装阀
图片内容源自孙海平《液压螺纹插装阀》,螺纹插装阀有自己独特的优势,在使用时厂家众多,阀孔种类众多。但是有迹可循。现在常用的共分为三大类,ISO7789;ICC;SUN。大家依据图片所示,可有脉络性了解。  需要分辨查找时可节约时间。
液压插装阀插孔与二通插装阀基础知识
液压插装阀插孔与二通插装阀基础知识
液压插装阀插孔与二通插装阀基础知识

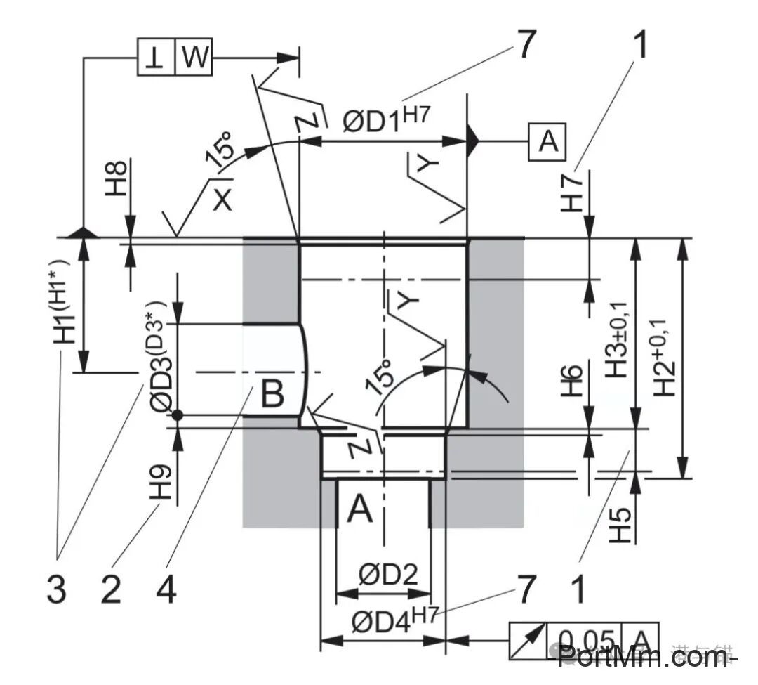
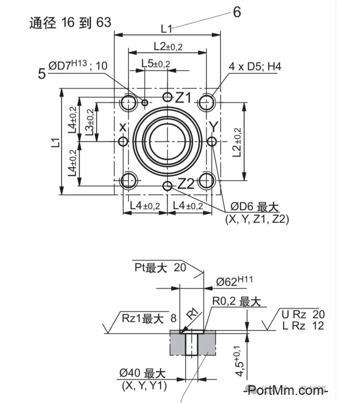
二,二通插装阀(逻辑阀)

二通插装阀通常安装于符合 DIN 24342 标准的安装孔内,并通过阀盖进行锁定,这种标准化的安装方式确保了其在不同液压系统中的通用性和互换性。

液压插装阀插孔与二通插装阀基础知识液压插装阀插孔与二通插装阀基础知识
液压插装阀插孔与二通插装阀基础知识液压插装阀插孔与二通插装阀基础知识液压插装阀插孔与二通插装阀基础知识
液压插装阀插孔与二通插装阀基础知识
液压插装阀插孔与二通插装阀基础知识
  逻辑阀,顾名思义,根据简单的阀开闭,通过盖板和导阀的组合配合,依据动作逻辑可以实现复杂运动。
     插件有不同的面积比应用于不同的 场 合 中 , 压 力 阀 一 般 用 1 : 1.1(实际为 1.07)
或 1:1 的面积比。方
向阀一般用1:2 的面积比。
   (1)  方向阀中 1:2 的面积比即可以使阀芯从 A 腔打开也可以使芯从 B腔打开。对于比较大的插件又派生了 1:1.2 与 1:1.5,这种面积比可以增大 A 腔面积使插件过油量更大,过油流通阻力更小、使用更稳定。     
      对于由 B 腔向 A 腔流的系统,最好选取 1:2 的面积比,可以使开启压力相对变大响应时间变短;由 A 腔向 B 腔流的系统,可以选取 1:1.5 的面积比,使液体阻力较小
    (2) 压力阀(如:直动式溢流阀 DBD),锥阀结构。此种阀比较直接,压力调节比较稳定、准确。此种结构不能用于大流量的条件下。
     压力插装阀用于大流量,用节流与压差进行控制,通过先导阀进行控制。
对于两种面积比 1:1 和 1:1.1 进行分析:1:1 应用在开启时灵敏度比较高;对于1:1.1 的面积比应用在关闭时的灵敏度比较高。根据不同的使用场合。
(3)启闭特性
影响阀芯启闭特性的原因
1、阀芯、阀套椭圆度、光洁度、粗糙度等加工精度
2、插件中阻尼的选取
3、弹簧力的大小
保证以上条件可以使整个液压系统的调压精度更高,整体效率更高

给TA打赏
共{{data.count}}人
人已打赏
机械液压

溢流阀在液压系统中的应用及回路示例

2025-10-28 13:13:08

机械液压

三款免费好用的液压原理图绘制工具推荐

2025-11-10 15:12:48

个人中心
购物车
优惠劵
今日签到
有新私信 私信列表
搜索