文章目录[隐藏]
一、平衡阀原理与常见分类
平衡阀是一种特殊的压力控制阀,主要用于控制具有重力负载的执行元件(如液压缸、液压马达)的运动,防止其因自重或外力作用而失控超速下落或旋转,从而确保系统安全、平稳、精确地运行。广泛应用于所有存在超越负载的工程机械和工业设备液压系统中。
平衡阀的原理一般是一个外控顺序阀并联一个单向阀组成,装于换向阀出口到油缸之间组成平衡回路(详见相关文章《几种平衡回路的设计》)。平衡阀的主要功能有两个,一是可以使负载在任意位置停止(维持低泄漏约0.4ml/min),二是在重物下降时平衡负负载以保持重物下降速度稳定。油缸上常用的平衡阀分以下几种:



而液压马达用的平衡阀通常会集成一个梭阀便于控制马达制动器:

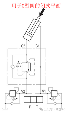
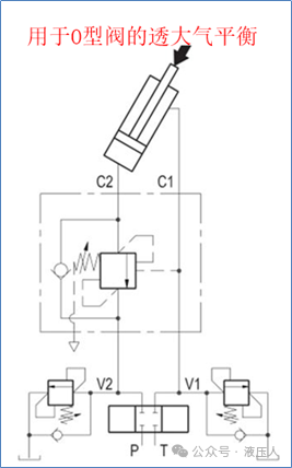
一般垂直起重机械会选用后面两种平衡阀,他们与O型换向阀组成双重锁紧保护(实际应用中发现开式平衡阀用于O型阀回路,开启瞬间会产生巨大冲击,这与后文将提到的先导开启压力有关)。通过以上平衡阀原理图不难发现,平衡阀在回油侧提供阻抗(且阻抗受进油压力闭环控制),时刻保证进油压侧无空穴现象产生,从而使下降速度取决于进油流量(防止下降失速)。由于平衡阀的先导开启压力取自进油压力,而先导开启压力高于抽空和理想状态下的进油压力,多出的这部分压力转换为负载压力,这是导致平衡阀不节能的原因。
二、平衡使用注意事项
1、因为平衡阀的其中一个最主要目的就是实现负负载下降时,负载速度平稳可控。实现以上作用依靠控制平衡阀开度产生压降,因此平衡阀规格不能选的太大,通常略低于系统回油流量。但也不能太低,避免过大的压力损失和系统发热。
2、平衡阀的设定压力通常为最大负载所需压力的1.3到1.5 倍。压力设定过低会导致系统不稳定或无法保持负载;过高则会导致系统压力过高,效率降低,油温升高。压力必须在有负载的情况下进行调整,达到“负载下降平稳无冲击,且系统压力合理”的最佳效果。调整后重物可以在任意位置保持不而下落。一般来说,顺时针旋转将减少平衡阀的设定压力。
3、平衡阀的先导比指平衡阀中先导活塞的有效面积与主阀芯的有效面积之比,其值应大于油缸的面积比(这在多级缸回路应别特注意)。低先导比(R≤4:1)的平衡阀用于随着执行机构的运动,负载变化较大、要求运动平稳的场合。高先导比(R≥8:1)的平衡阀用在随着执行机构的运动,负载变化非常平稳的场合,先导比越高阀的响应越灵敏、越节能(也越容易受到干扰)。
4、对于开式平衡阀,回油压力将增加平衡阀开启压力,使平衡阀开启需要更高的先导压力。这一问题在比例阀系统中比较常见,换向阀的回油节流往往会对平衡阀的工况产生很大的影响。回油压力的叠加使平衡阀需要更高的开启压力,且通过油缸面积比转化成进油压力的提高,进一步增加了系统的能耗。而且当我们控制进油流量移动主阀芯也同时产生了回油节流,这就导致由平衡阀提供阻抗达到的速度平衡又要重新改变来匹配回油节流。我们可以将平衡阀单独回油来避免这个问题。
5、对于机构保证同步的两支油缸,不能单独安装平衡阀(因为不可能在两支缸中保持相同的同步压力)。应在每支油缸上单独安装液控单向阀,将平衡阀装在公共管路上。
6、如果下降时负负载很大,平衡阀开启瞬间会产生很大速度而直接导致进油侧空穴,先导压力消失使平衡阀瞬间关闭,然后进油压力升高又开启平衡阀,形成抖动。例如下图这种情况,可以在平衡阀的先导控制油路中增加阻尼孔来减缓先导压力的变化速度,同时在平衡阀与无杆腔之间增加阻尼,当下降速度太快时,阻尼可使无杆腔多出一部分背压,防止进油侧空穴产生。
三、平衡阀先导开启压力的计算
1、不考虑回油背压时平衡阀的先导开启压力计算
其中:
Ppil为不考虑回油背压的平衡阀开启压力;
Pt为平衡阀设定压力;
Pload为油缸活塞腔压力;
R为平衡阀先导比;
φ为油缸活塞腔面积/活塞杆腔面积;
2、考虑回油背压时先导开启压力的计算

Pp为考虑回油背压的平衡阀开启压力;
Pv为回油背压;
注意:以上公式计算的开启压力低于实际上所需要的开启压力。因为根据公式算出的是平衡阀刚刚开启所需要的压力,而实际上平衡阀阀芯需要一定的位移(3~4mm),因此需要进一步压缩弹簧,也就是说需要更大的开启压力。
平衡阀的一些基本概念
1、常用名词解释
(1)超越负载:负载下降速度超过了泵的给油速度。



(3)背压:是指下游回路施加到②口的压力(见下图)。
(4)滞环:指平衡阀开启压力与闭合压力的差值,比如一个平衡阀的滞环是20%,那么他在压力将至80%的开启压力之前会复位。滞环越小的平衡阀性能越好,滞环太大会导致锁不住。
(5)流量增益:平衡阀的流量增益是指平衡阀阀芯移动单位距离时,输出流量的变化量(前提是负载压力保持不变)。他反映了平衡阀对流量控制的灵敏度,高流量增益的溢流阀响应更快。
(6)超调量:是指在平衡阀动态调节过程中,其实际输出值超过设定值的最大偏差量。超调量小表明平衡阀能快速、精准地响应负载变化,系统振荡轻微,负载下降平稳。
2、基本原理。平衡阀有3油口和4油口两种结构,下图是3油口平衡阀的原理图和结构图:①—负载口,②—自由口,③—先导口。
(1)常态下油口②到油口①是单向阀的自由流方向。

(2)油口①到②是截止(在合适的设定压力下可实现零泄漏)。

(3)当③口的先导控制压力乘以先导比与负载压力之和大于平衡阀设定压力后,允许油液从①流向②。

以下图为例说明平衡阀的工作过程:

当有杆腔进入油液推动重物下降时,由于负载本身重力影响而加速下降,在有杆腔侧产生空穴,此时平衡阀开启压力降低导致阀口关小,使油缸速度降低。速度如果低于泵的给油流量,则阀口再次开大回到正常速度。平衡阀阀口的变化是一个动态调整的过程,其阀芯的位移量非常微小,所以油缸在整个过程中看起来是平稳下落的。然而平衡阀本身特性(流量增益和超调量)对速度的稳定性有决定性的影响,这一点将在后续文章中说明。
3、平衡阀作用。
(1)负载保持。当油缸无动作时,平衡阀的零泄漏特性可以使重物保持在当前位置不下落。
(2)负载控制。下降过程中防止重物失速(超越负载)
(3)安全保护。一方面对油缸提供溢流保护,防止外力突然的冲击;另一方面是当管路发生爆破时可防止重物下坠。
4、平衡阀与单向阀的区别。随着负载速度增加时平衡阀的先导压力降低,会促使溢流阀开口变小而增加背压以稳定速度,可以通过动态调整实现负载自适应。而单向阀只有开和关两种状态,无法对负载实现补偿。
平衡阀的工作点计算

名词解释
先导控制压力:油缸负重状态下行,打开平衡阀所需要的先导控制压力。
等效开启压力:静止状态下,先导控制压力为零时,从①口打开平衡阀的压力。
1、开式平衡回路,平衡阀装于有杆腔:


2、开式平衡回路,平衡阀装于无杆腔


等效开启压力计算:Psr=Ps+Pb(R+1)=24Mpa。
从以上计算可以发现,平衡阀装于有杆腔或无杆腔的计算区别是油缸面积比的代入方式,下面的回路只分析平衡阀装于无杆腔的计算方法。
3、闭式平衡回路,平衡阀装于无杆腔


4、弹簧腔泄压型平衡阀


对于此类弹簧腔单独卸荷的平衡阀,sun和rexroth的等效开启压力的计算有细微差异。Sun的说明是②口背压不影响阀的开启性能,rexroth的说明是②口背压将降低平衡阀的设定值。
