先看下面三张图(图1,图2,图3),淘友们仔细观察一下图中三款泵的区别:

- 图1中:泵的A,B口分别与马达的A,B口相连,泵和马达之间的主油路上没有换向阀,泵压油口的油液直接到马达,经过马达后直接回到泵的另一个油口;
- 图2中:泵与图1类似,但泵的A,B口分别多了一个单向阀,可通过单向阀从油箱吸油;
- 图3中:泵与马达(油缸)之间的主油路上多了一个换向阀。泵经吸油口从油箱吸油,压油口出来的油液经过换向阀后到马达(油缸),经过马达后先回到换向阀,最后回到油箱。
简而言之,三款泵的主要区别是:
- 图1中泵的A,B油口与执行机构(马达或油缸)的A,B工作油口(或油缸的大小腔)直接连接。换言之,工作油液从泵到执行机构,然后油回到泵,形成了一个封闭的回路;
- 图2中泵与图1中类似,只是泵的A,B口还可以通过单向阀从油箱吸油;
- 图3中泵先从油箱吸油,压力油经过换向阀后才到执行机构,然后油液从执行机构经过换向阀到油箱;
我们通常把这三款泵分别称作:闭式、半闭式和开式泵。淘友们经常接触的力士乐泵中,闭式泵代表是A4VG和A4VSG系列,半闭式代表是A4VSH系列,开式泵代表为A10VO、A11VO和A4VSO系列。
1:闭式系统:使用闭式泵的液压系统称作闭式液压系统;
2:半闭式系统:使用半闭式泵的液压系统称作半闭式液压系统;
3:开式系统:使用开式泵的液压系统称作开式液压系统;
说明:这里的开式,闭式系统指的是液压系统,而不同于自动控制学科中的开环和闭环控制系统。
小提示:
1: 博世力士乐泵型号中:
G:通常表示闭式,比如A4VG,A10VG,A4VSG,A4CSG,A20VG
H:通常表示半闭式;A4VSH
O:通常表示开式:A2FO,A4VSO,A4VBO,A8VO,A10VO,A11VO,A15VO
2:闭式、半闭式泵的两个工作油口尺寸相同,称作A,B口;
3:开式泵的两个工作油口分别为吸油口S和压油口P(或者B), 通常S油口尺寸大于P口;

看到这里,想必有的淘友会有疑惑:图1和图2所示的闭式及半闭式液压系统主油路上没有换向阀,也没有流量控制阀,执行机构的方向和速度调节是如何实现的呢?请淘友们继续往下看。
图7是闭式系统的示意图

图7 闭式系统示意图
实际应用中,一个闭式系统往往包含如下部分:
1:安全阀:出于安全考虑,任何液压系统都必须配置溢流阀(安全阀),闭式系统也不例外,如图8,因为泵A,B口根据需要都可以作为高压口,所以两个安全阀:

图8 闭式系统增加安全阀
2:内泄油路:任何液压系统中的泵和马达都会有内泄,内泄油一方面起到润滑泵马达内部缸体、柱塞的作用,另一方面内泄油带走泵马达工作中产生的部分热量,经过壳体泄油管流回油箱,起到散热的作用。只是过大的内泄量会降低泵马达的容积效率。所以,闭式系统中泵马达都需要泄油管(某些泵可能壳体上没有泄油管,内泄的油液直接从内部进入泵吸油口),如图9所示:

图9闭式系统增加泵马达泄油管
3:补油回路:由于内泄的存在,泵与马达之间主油路中的油液会越来越少,如果不及时补充油液,系统将会发生吸空,进而无法正常工作。所以,所有的闭式系统中均需要补油。常见的补油方式有两种:一种是主泵内置一个齿轮泵作为补油泵向闭式系统补油;另一种是外置式补油,通过外置的补油泵或者从其他油路中分一路油液进行补油。无论何种方式,补油是必须的,补油油液通常是经过A,B两侧的补油单向阀向系统补油。如图10所示:补油泵内置在主泵后侧,补油压力由直动式溢流阀(补油溢流阀)设定。图中补油泵、补油溢流阀、补油单向阀插装在主泵的后盖中(博世力士乐A4VG系列泵即为此结构)。

图9闭式系统增加泵马达泄油管
4:变量机构:从01关于闭式系统的介绍中,淘友们能够看出:闭式泵要实现对负载运动方向和速度的控制,只能通过改变斜盘的摆角来完成。如图10所示,变量活塞与斜盘连接,变量活塞左右直线运动带动斜盘左右摆动,当斜盘处于“水平”位置时泵排量为“零”我们称作泵的“零位”。当斜盘越过零位向左摆动时假定泵A口出油,B口进油,假定此时马达正转,随着斜盘摆角增大,泵排量增大,马达转速增加(不考虑马达变量);同理当斜盘越过零位向右摆动时泵B口出油,A口进油,马达反转,随着斜盘摆角增大,泵排量增大,马达转速增加(不考虑马达变量);
所以,调节斜盘摆角大小和摆动方向就能实现闭式泵对执行机构运动方向和速度的调节。这一整套调节泵排量的机构(变量控制阀+变量活塞)我们称作变量机构,它实际上是一套常见的阀控缸液压回路,如图11所示;

图10 闭式泵变量机构

图11闭式系统增加泵变量机构
在图11的变量控制回路中,控制油来自补油泵。当然控制油也可以外供,这里不再赘述。
5:冲洗回路:同样装机功率的闭式系统与开式系统相比散热功率较低,容易发热,为此在闭式系统中常常会增加冲洗回路,通过冲洗阀强行将闭式回路中低压侧油液引入泵,马达或者油箱来增大系统的热交换能力,以达将闭式系统热平衡温度维持在合理范围内的目的。如图12,增加了冲洗阀,这里只是展示了冲洗阀安装在主回路中的形式,有时,冲洗阀可以集成在马达,泵的后盖上,这样结构更加紧凑,风险是:容易导致泵马达轴封渗油。

图12 闭式系统增加冲洗阀
综上,一个完整的闭式回路如图13所示,简单说明如下,想进一步了解该系统的淘友可评论留言交流。
1:左半部分为闭式泵,右半部分为马达;
2:泵上集成了安全阀(高压溢流阀),切断阀,DA阀;
3:马达后盖集成了冲洗阀;
4:系统安装了刹车制动阀;
5:泵上集成了拖车使用的应急旁通阀;

图13 完整的闭式系统
开式系统比较常见,想必淘友们都非常了解,如图13,简单说明如下:
1:通过主油路中的换向阀,流量阀调节执行机构的运动方向和速度;
2:泵出口的旁路上安装溢流阀作为安全保护装置;
3:其他附件:过滤器、散热器等。

图14 开式系统
1:方向控制阀
闭式系统的方向控制阀仅通过控制变量活塞的控制油,规格小;
开式系统的方向控制阀需要通过主油路中的工作油液,需与主泵的流量匹配,规格大;如图14

图15 开式,闭式系统方向阀比较
2:液压油箱
闭式系统液压油箱与补油泵流量匹配,规格小
开式系统液压油箱与主泵匹配,规格大;
3:散热器和过滤器
闭式系统中,与补油泵流量和泵马达内泄量匹配,规格小
开式系统中,与主泵的流量匹配,规格大;
4:转速限制
同样排量的闭式泵允许的转速通常高于开式泵。开式泵往往要考虑转速过高导致的吸空。
5:静压制动
闭式系统:泵的A,B口均可以承受高压,补油充分的情况下,泵可以承受短暂的马达工况,以实现静压制动。

开式系统:无法实现静压制动;

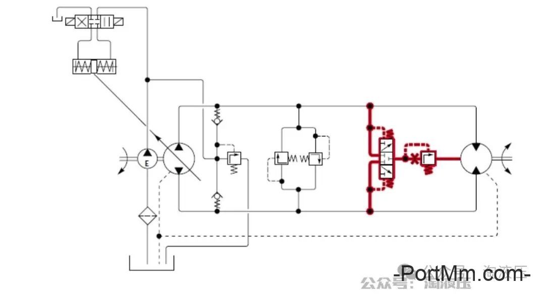
半闭式液压系统与闭式系统类似,这里不再赘述,淘兄放一张半闭式系统供大家参考。

以上重点分析了闭式液压系统的构成,并比较了开式和闭式液压系统的差异。同一个品牌不同型号的闭式泵,不同品牌的闭式泵都可以按照上面的思路进行分析。在阅读液压系统原理图时,先确定系统的类别并结合不同系统的特点分析,将有助于淘友们快速准确地读懂液压系统原理图。再放一张稍微复杂一些的闭式泵原理图,大家可按照上面的思路试着练习一下。
