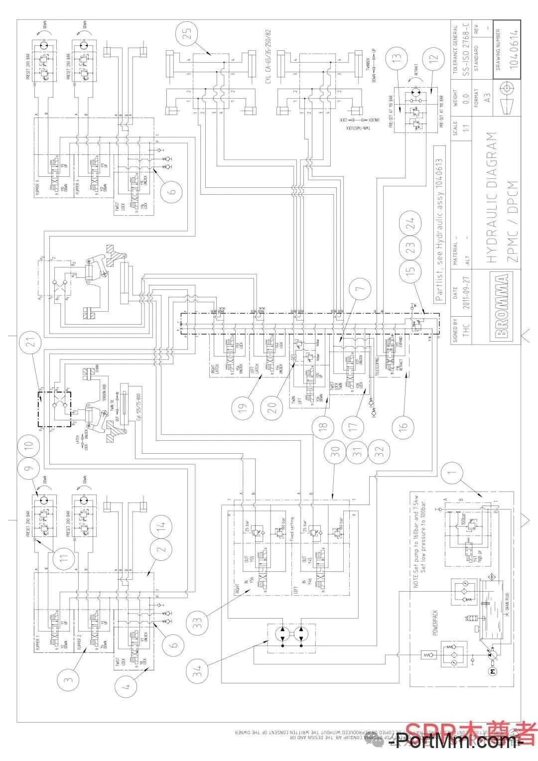
布罗马双箱吊具液压原理图

释放双眼,带上耳机,听听看~!
布罗马双箱吊具液压原理图

有备无患。

给TA打赏
共{{data.count}}人
人已打赏
港口起重机

Bromma吊具用超声波传感器设定距离

2026-2-4 14:06:29

港口起重机

吊具常用螺栓紧固扭矩数值表

2026-2-4 14:10:02

个人中心
购物车
优惠劵
今日签到
有新私信 私信列表
搜索