大家都知道,中国有一个”基建狂魔“的称号,我们的工人和施工队伍在全世界开山铺路,挖洞架桥,大搞基础建设。搞基建的时候需要使用的一种设备叫做隧道湿喷台车,它能把搅拌好的混凝土混合料又快又匀地喷到隧道开挖面指定处。靠着能精准操控的喷头,按不同角度、距离喷,让混凝土紧紧贴在岩石表面,形成稳固的初期支护结构。有些高端车型还能自动配比、搅拌混凝土原材料,施工更方便,质量也能把控好。隧道湿喷台车在隧道修建的过程发挥了不小的作用。今天的液压故障大作战第9期,咱们要聊的这个故障就和隧道湿喷台车有关。

某客户在生产的隧道湿喷台车上使用力士乐品牌的A11V开式轴向柱塞液压泵,工作中采用远程遥控器来调节泵送的速度,遥控器上分为从小到大10个档位,正常情况下,随着档位的增加,泵送速度会越来越快,但是在出厂调试的过程中发现了一个问题,当将遥控器调至大档位运行时,车辆的工作速度明显比规定要求的要慢。这是什么原因呢,客户希望我们到现场进行支持,帮助尽快解决问题。
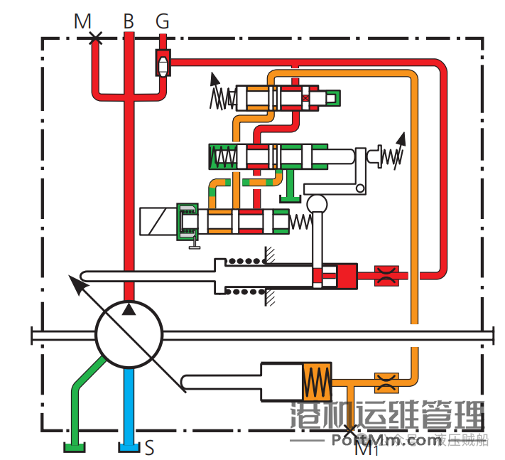
隧道湿喷台车上使用的是A11V泵的LRDU2控制,也就是恒功率控制+恒压变量+电比例排量控制。
对于隧道湿喷台车来说,它的控制逻辑是,正常情况下随着档位增大,发动机的转速提高,提高泵的排量,同时给液压泵的控制电流也增大,由于这个电比例排量控制属于正比例控制,所以液压泵的排量也会增大,这样就可以实现泵以较高的转速和流量输出,驱动整个泵送系统快速、高效地将混凝土输送至喷头并进行喷射作业。
接到客户反馈的这一问题后,应用工程团队迅速组织人员赶赴现场,展开了全面而细致的故障排查工作。
到达施工现场后,我们首要任务就是要亲眼见证故障的发生,确保准确掌握问题所在。我们让客户的操作人员按照平常的施工流程,将泵调至大档位进行作业。果然,如客户所描述的那样,泵的工作速度明显缓慢,混凝土的输送和喷射情况不佳,喷头喷出的混凝土量远低于正常水平,无法满足施工要求。
我们进一步尝试在不同工况下观察故障的表现情况。试图找到和这个故障有关的的因素。我们让操作人员分别在不同的压力工况下重复这一系列测试,看看故障的具体表现是否有差异?结果发现在低压的情况下,故障没有发生,运动速度正常。但是当压力升高的时候,运行速度减慢,故障就会出现。看来这个故障和压力有关。
一开始,基于以往的经验和对液压系统常见故障的了解,我们首先怀疑是溢流阀出现了问题。因为客户的特殊加压方式,当档位增大,流量增大后,系统压力也会增加,在液压系统中,当系统压力增大超过某个溢流阀设定值时,溢流阀将多余的油液溢流回油箱,从而起到保护系统和调节压力的作用。我们推测会不会是某个溢流阀的设定值过低,导致部分油液在本应正常参与工作循环的情况下,过早地通过溢流阀流回了油箱。这样一来,参与到驱动泵工作的有效油液量就会减少,进而使得泵的工作速度变慢。于是,我们对液压系统中的各个溢流阀进行了逐一检查,仔细核对它们的设定值,客户的机器上配置有多个压力表,所以观察起来因为比较方便。经过一番细致的排查和测量,我们发现所有溢流阀的设定值均在正常范围内,且在大档位运行时,溢流阀的工作状态也并未出现异常,并没有出现油液异常溢流的现象。这就初步排除了溢流阀设定值过低导致故障的可能性。
在排除了溢流阀的嫌疑之后,电比例排量控制泵的流量是由电控信号来控制的, 如果客户的系统里电控信号给的不对,也可能会出现这个情况,我们使用万用表,对电控信号的强度、频率等参数进行了测量和分析。然而,经过一系列的排查和检测,我们发现客户给的电控信号一切正常,都在要求范围之内,而且大档位时候电流增大,并没有出现任何异常的波动或错误信号,这也意味着故障并非由电控信号问题所引起。
在初步排查排除了溢流阀设定值过低和电控信号问题这两个常见的故障可能性之后,我们不得不重新审视整个故障情况,进一步深入挖掘可能存在的其他原因。一边和客户工程师沟通,一边继续观察,在沟通过程中,我们了解到一个关键的细节—— 先导压力。

这款泵采用的是电比例排量控制,在该控制方式下,先导压力,也就是图中G口的位置,起着至关重要的作用。它的作用是当系统压力比较低的时候控制泵的排量。一般要求设定值为30bar,当系统压力超过30bar的时候,通过梭阀选择,由系统压力取代先导压力来对泵的排量进行控制。
和客户的沟通中,我们惊讶地了解到,客户设备上的外接先导压力采用外接回路经过一个减压阀后供应到G口,而这个减压阀的设定值竟然达到了 150bar。这个数值明显高于要求值。当然设定值高一些并不会对电比例排量控制功能有什么影响,所以他们也只是觉得太高了没有必要,但和这个故障应该没有什么关系。
但是实际上,大家从图上也可以看出来,在 LRDU2控制方式下,这个外接先导压力兵分两路,一路用来控制电比例排量,一路用来控制恒功率设定。当压力大到恒功率设定起始点值时,就会开启泵的恒功率功能。我们经过计算,在当前这种先导压力过高(150bar)的情况下,恒功率设定已经被触发。一旦恒功率设定开启,泵的控制逻辑就会发生变化。恒功率阀的主要目的是为了防止泵在工作过程中功率过大,对整个液压系统和设备造成损坏。它会降低泵的排量来维持泵吸收的功率恒定,在本案例中,由于恒功率阀的开启,使得泵的排量开始降低,即使在大档位下,泵也无法按照正常的要求输出足够的流量和转速,从而导致了工作速度比要求的慢这一故障现象的出现。
既然已经明确了故障是由于先导压力过高导致恒功率设定开启,进而影响了泵的排量和工作速度,那么解决问题的关键就在于降低先导压力。我们调整了先导压力的减压阀,将之前的150bar降低到50bar。随后,再次启动隧道湿喷台车,并从小到大档位逐一进行运行测试。
令人欣喜的是,这次泵的工作速度恢复到了正常水平,能够快速、高效地驱动混凝土的泵送和喷射作业。喷头处喷出的混凝土量也恢复正常,故障问题得到了圆满的解决。为了进一步确保问题不再复发,我们在不同的工况下进行了多次启动、运行和停止操作,均未发现任何异常情况。同时,我们也向客户详细说明了此次故障的原因、排查过程以及解决措施,以便客户在今后的设备使用和维护过程中能够更好地应对类似问题。
通过这次对隧道湿喷台车液压泵工作速度慢的故障排查和解决过程,小编觉得收获了不少宝贵的经验和教训。
1)在面对液压设备的故障时,不局限于常见的故障原因,如溢流阀问题、电控信号问题等。要对设备的整体结构、控制方式以及各个部件之间的关系有深入的了解,进行全面、细致的排查,才能有可能找到真正的故障根源。2)与客户的沟通协作不可或缺。在整个故障排查和解决的过程中,与客户的沟通协作起到了非常重要的作用。客户能够提供设备在实际使用过程中的具体情况、故障发生时的详细表现等第一手资料,这些资料对于我们准确判断故障原因、制定排查方案都有着极大的帮助。3)对于客户设备与其他同类设备的特殊点尤其要重点关注,因为这种特殊性很可能会引发自身问题,或者相关系统上其它点的问题。
总之,这次隧道湿喷台车液压故障排查经历为我们今后处理类似问题提供了宝贵的参考,也提醒我们在液压设备的设计、制造、使用和维护等各个环节都要更加严谨、细致。各位小伙伴们有什么想法,一起说说看。